
X—ray 无损检测 X 射线透视检测 X-ray 检测
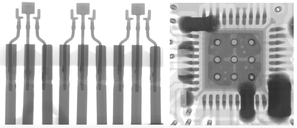
X-ray 检测是利用X射线束透射一片来检测其内部焊接缺陷、短路、开路、气泡、裂纹几异物分析,是进行产品研究、失效分析、高可靠性筛选、质量检验、改进工艺等有效的无损检测方法。
检测简介:
X-ray无损检测是利用阴极射线管产生高能量电子与金属靶撞击,在撞击过程中,因电子突然减速,其损失的动能会以X-ray形式放出,其具有非常短的波长但高电磁辐射线。
利用X射线束透射样品来检测其内部缺陷,应用于回流焊后的质量检验和表面安装工艺控制、焊点可靠性的工艺研究。如:内部焊接,短路,气孔,气泡,裂纹及异物检测分析。
应用范围:
适用于半导体芯片、PCBA、汽车电子、IC封装、金属材料、介质材料如:电子元器件及印制电路板的内部结构、内引线开路或短路、粘结缺陷、焊点缺陷、封装裂纹、空洞、桥连、立碑及器件漏装等缺陷;同时可检测连接件、电子集成件、电缆、装具、塑料件、铝铸件等的内部结构及缺陷。
IC封装中的缺陷检测分析如﹕层剥离(stripping)、爆裂(crack)、空洞(cavity)以及打线的完整性检验;
印刷电路板在制作过程中可能产生的缺陷,如﹕对齐不良或桥接(Bridging)以及开路(Open);
SMT焊点空洞(Cavity)现象检测与测量(Measuration);
各式连接线路中可能产生的开路(Open),短路(Short)或不正常连接的缺陷检测分析;
锡球数组封装及覆芯片封装中锡球(Solder ball)的完整性检验;
密度较高的塑料材质破裂(Plastic Burst)或金属材质空洞(metal cavity)检验;
芯片尺寸量测(dimensional measurement),打线线弧量测,组件吃锡面积(Solder area)比例量测;
检测标准:
1)IPC-A-610D (E) 电子组件的可接受性。
2)MIL-STD 883G-2006微电子器件试验方法和程序
3)GJB 548B-2005微电子器件试验方法和程序
4)GJB 4027A-2006军用电子元器件破坏物理分析方法
5)GJB 128A-1997半导体分立器件试验方法
设备参数:
1.分辨率:低至950纳米(0.95 微米)
2.影像接收器左右偏转角度各70度共140度,旋转360度
3.图像采集:1.3M万数字CCD;
4.检测区域面积: 可达 18”x 16”(458mm * 407 mm)
5.样品尺寸: 可达 20”x 17.5”(508mm * 444mm 、510mm * 510mm )
6.系统放大倍数: 至6000X;
7.显示器: 20.1"(DVI interface)数字彩色平板LCD,(1600 x 1200PIXELS)
8.性能: 在机器表面任何地方X光泄露率 < 1 m Sv/hr 等等


X射线透视技术(X-Ray)和 反射式扫描声学显微镜技术 (C-SAM)比较:
| 检测名称 | 应用优势 | 主要原理 |
| X射线透视技术 (X-Ray) | 以低密度区为背景,观察材料的高密度区的密度异常点,主要用来判定引线断裂、焊点、空洞等检测分析手段。 | 透视X光被样品局部吸收后 成像的异常图片。 |
| 反射式扫描声学显微镜技术 (C-SAM) | 以高密度区为背景,观察材料内部空隙或低密度区,主要用来判定封装内的空隙和芯片粘接、空洞等失效检测分析。 | 超声波频率(5-100Mhz)遇到空隙受阻发射。 |